SET TOGGLE SCREW > HARDWARE

본문 바로가기
서브 헤더

HARDWARE

제품_0010_TC220.jpg
BOLT_0000_TC220.jpg
BOLT

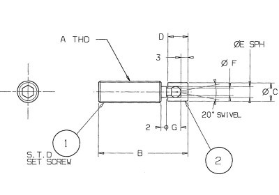
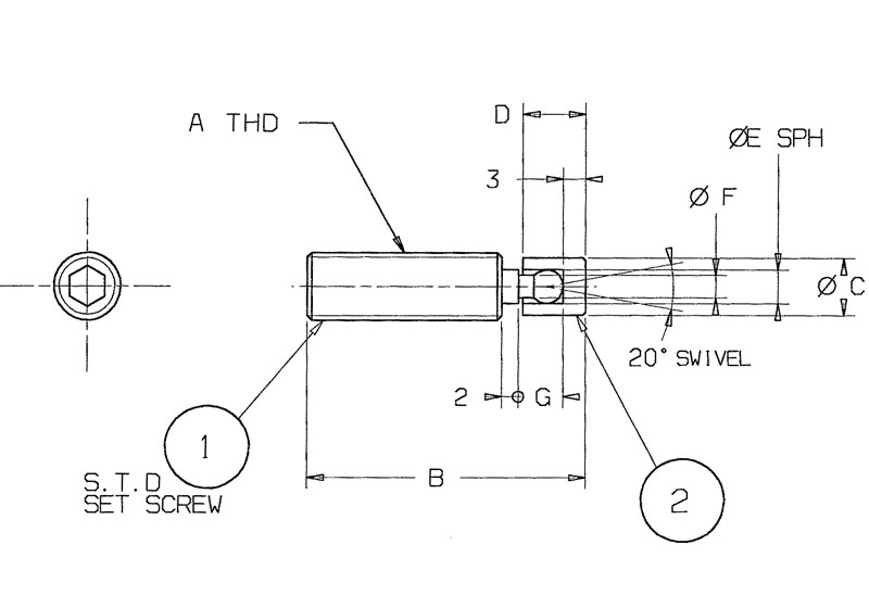
SET TOGGLE SCREW

위치 고정 및 미세 조정을 위한 설정용 스크류
구분
BOLT
품목명
SET TOGGLE SCREW
CODE
TC220

본문

위치 고정 미세 조정을 위한 설정용 스크류


(51565) 경남 창원시 성산구 반월로60번길 34-15 TEL : 055)273-2341 FAX : 055)273-2342 E-MAIL : tcscorea@naver.com
Copyright © TCS KOREA CO., LTD. All rights reserved.