TOOLING PIN > HARDWARE

본문 바로가기
서브 헤더

HARDWARE

제품_0019_TC404.jpg
PIN_0001_TC404.jpg
PIN

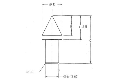
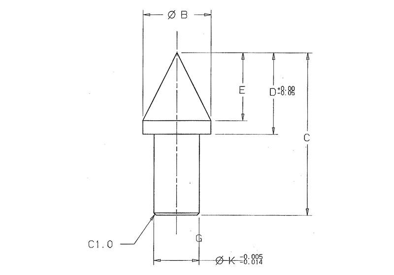
TOOLING PIN

치구 및 금형에서 정밀 위치 고정에 사용되는 핀
구분
PIN
품목명
TOOLING PIN
CODE
TC404

본문

치구 금형에서 정밀 위치 고정에 사용되는


(51565) 경남 창원시 성산구 반월로60번길 34-15 TEL : 055)273-2341 FAX : 055)273-2342 E-MAIL : tcscorea@naver.com
Copyright © TCS KOREA CO., LTD. All rights reserved.