LINER BUSH > HARDWARE

본문 바로가기
서브 헤더

HARDWARE

제품_0003_TC105.jpg
BUSH_0004_TC105.jpg
BUSH

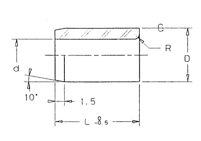
LINER BUSH

마찰 감소 및 내면 보호를 위해 사용되는 가이드용 부싱
구분
BUSH
품목명
LINER BUSH
CODE
TC105

본문

마찰 감소 내면 보호를 위해 사용되는 가이드용 부싱


(51565) 경남 창원시 성산구 반월로60번길 34-15 TEL : 055)273-2341 FAX : 055)273-2342 E-MAIL : tcscorea@naver.com
Copyright © TCS KOREA CO., LTD. All rights reserved.