LEG BACKET ASS'Y > HARDWARE

본문 바로가기
서브 헤더

HARDWARE

제품_0020_TC601.jpg
기타_0001_TC601.jpg
기타

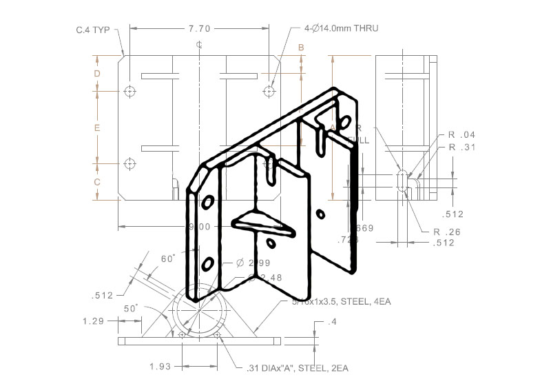
LEG BACKET ASS'Y

구조물 지지를 위한 브라켓 조립체
구분
기타
품목명
LEG BACKET ASS'Y
CODE
TC601

본문

구조물 지지를 위한 브라켓 조립체


(51565) 경남 창원시 성산구 반월로60번길 34-15 TEL : 055)273-2341 FAX : 055)273-2342 E-MAIL : tcscorea@naver.com
Copyright © TCS KOREA CO., LTD. All rights reserved.