LEVELING PAD > HARDWARE

본문 바로가기
서브 헤더

HARDWARE

제품_0011_TC226.jpg
기타_0003_TC226.jpg
기타

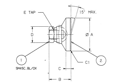
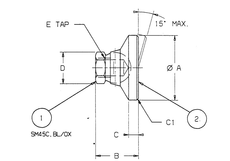
LEVELING PAD

장비 수평 조정 및 안정적인 설치를 지원하는 패드
구분
기타
품목명
LEVELING PAD
CODE
TC226

본문

장비 수평 조정 안정적인 설치를 지원하는 패드


(51565) 경남 창원시 성산구 반월로60번길 34-15 TEL : 055)273-2341 FAX : 055)273-2342 E-MAIL : tcscorea@naver.com
Copyright © TCS KOREA CO., LTD. All rights reserved.