STRAP CLAMP > HARDWARE

본문 바로가기
서브 헤더

HARDWARE

제품_TC201.jpg
기타_0004_TC201.jpg
기타

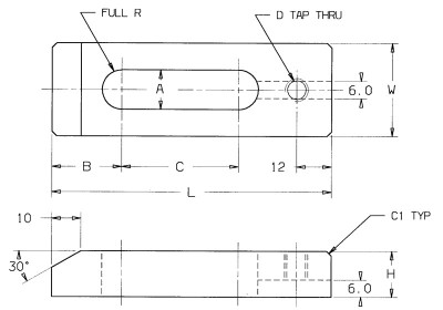
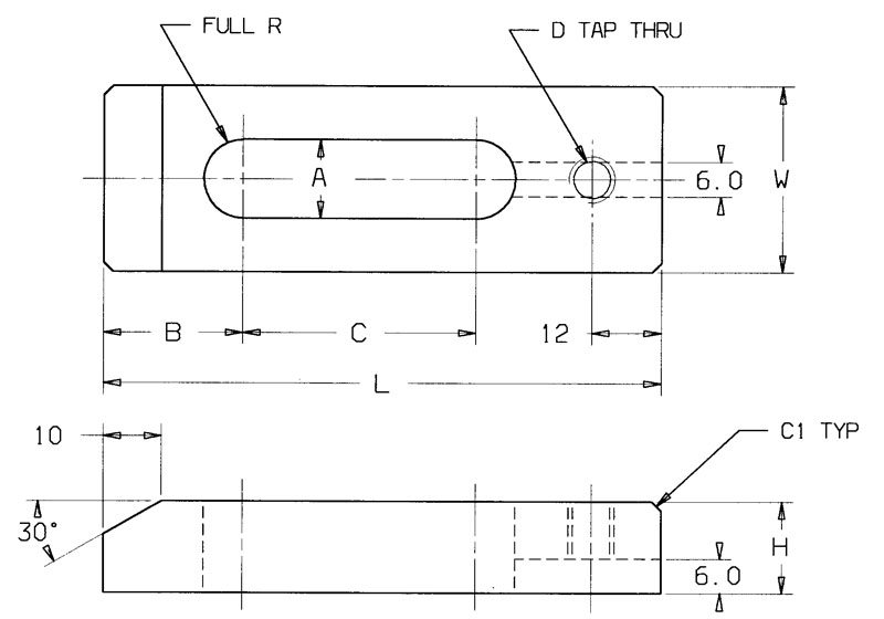
STRAP CLAMP

다양한 형상의 작업물을 안정적으로 고정하는 클램프
구분
기타
품목명
STRAP CLAMP
CODE
TC201

본문

다양한 형상의 작업물을 안정적으로 고정하는 클램프


(51565) 경남 창원시 성산구 반월로60번길 34-15 TEL : 055)273-2341 FAX : 055)273-2342 E-MAIL : tcscorea@naver.com
Copyright © TCS KOREA CO., LTD. All rights reserved.